元器件系列
ZN63(VS1)-12户内高压真空断路器/手车式
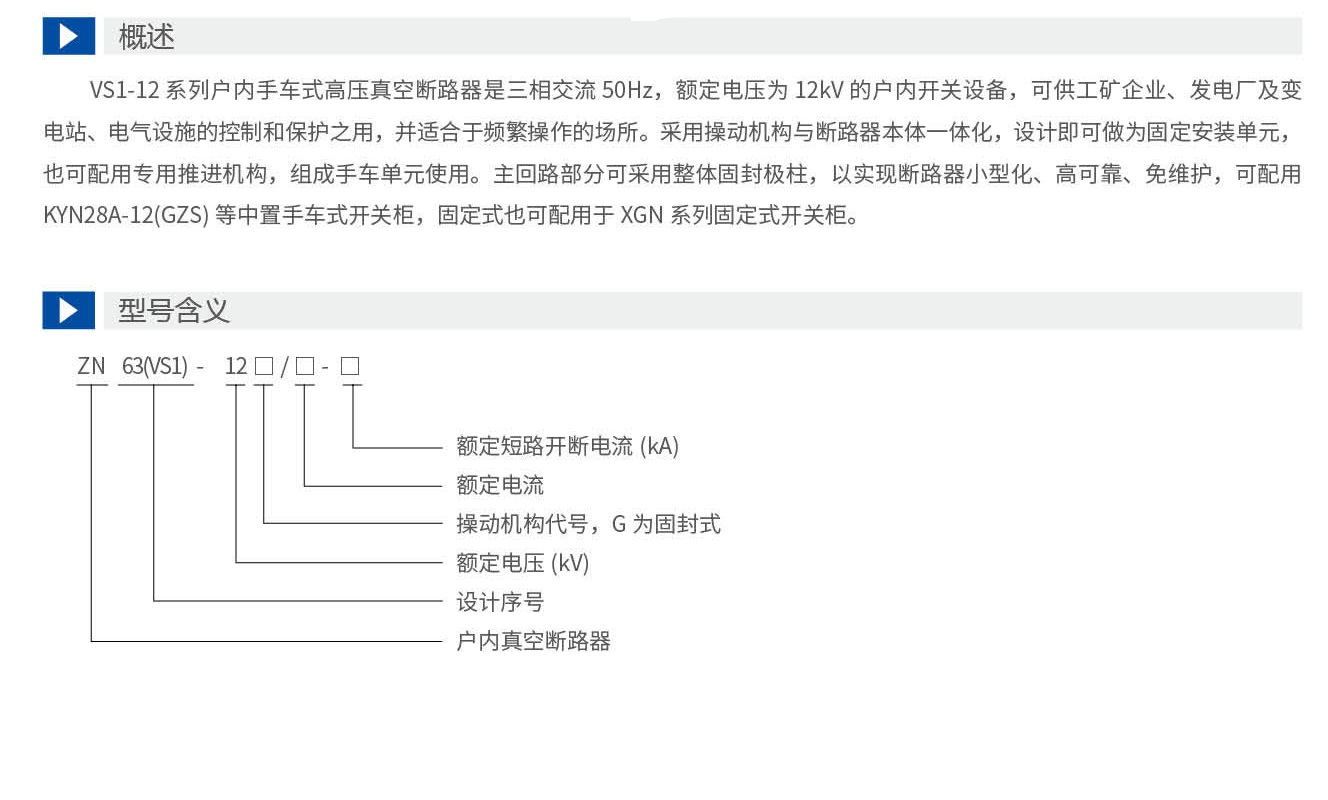
VS1-12系列户内手车式高压真空断路器是三相交流50Hz,额定电压为12kV的户内开关设备,可供工矿企业、发电厂及变电站、电气设施的控制和保护之用,并适合于频繁操作的场所。采用操动机构与断路器本体一体化,设计即可做为固定安装单元,也可配用专用推进机构,组成手车单元使用。主回路部分可采用整体固封极柱,以实现断路器小型化、高可靠、免维护,可配用KYN28A-12(GZS)等中置手车式开关柜,固定式也可配用于XGN系列固定式开关柜。
厂家直销
品质保障
支持定制
售后服务
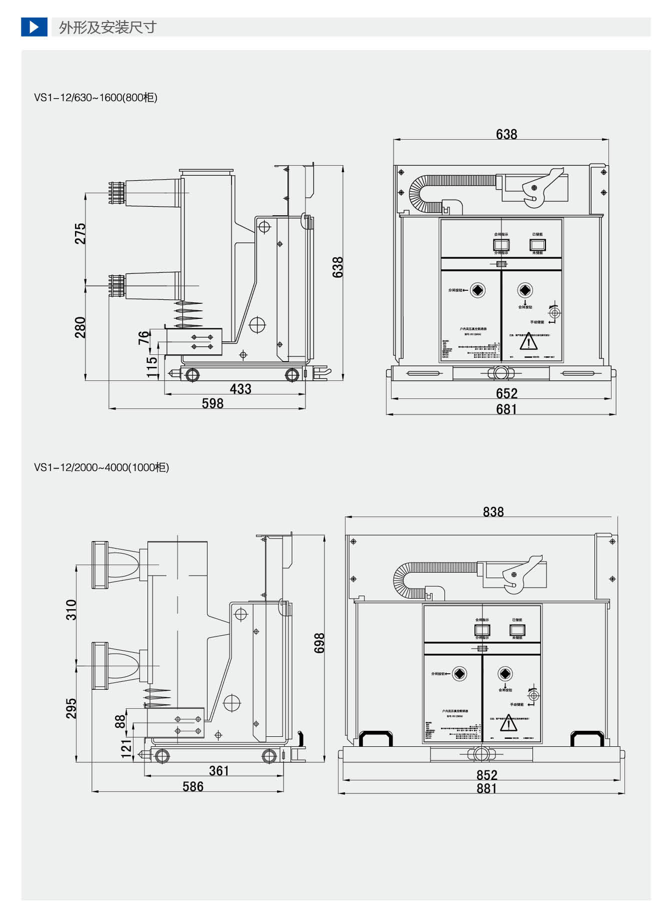
产品详情:




